酒精濃度測試儀器的用及電路設計原理分析
酒精濃度測試儀原理之酒精濃度測試儀器的用及電路設計原理分析
酒精檢測儀是用來檢測人體是否攝入酒精及攝入酒精多少程度的儀器。它可以作為交通警察執法時檢測飲酒司機飲酒多少的檢測工具,以有效減少重大交通事故的發生;也可以用在其他場合檢測人體呼出氣體中的酒精含量。
呼氣式酒精檢測儀是檢測駕駛人員呼氣中酒精含量的儀器。使用檢測時,要求被測者口含吹管呼氣,如果被測者深吸氣後以中等力度呼氣達3秒鍾以上,呼氣中的酒精含量與血液中的酒精含量關係為:血液酒精濃度=呼氣酒精濃度×2200。
酒精測試儀實際上是由酒精氣體傳感器(相當於隨酒精氣體濃度變化的變阻器)與一個定值電阻及一個電壓表或電流表組成。,如圖所示是它的原理圖。圖中R1為定值電阻,酒精氣體傳感器R2的電阻值隨酒精氣體濃度的增大而減小,如果駕駛員呼出的酒精氣體濃度越大,那麼測試儀的電壓表示數越大。

當具有N型xing導dao電dian性xing的de氧yang化hua物wu暴bao露lu在zai大da氣qi中zhong時shi,會hui由you於yu氧yang氣qi的de吸xi附fu而er減jian少shao其qi內nei部bu的de電dian子zi數shu量liang而er使shi其qi電dian阻zu增zeng大da。其qi後hou如ru果guo大da氣qi中zhong存cun在zai某mou種zhong特te定ding的de還hai原yuan性xing氣qi體ti,它ta將jiang與yu吸xi附fu的de氧yang氣qi反fan應ying,從cong而er使shi氧yang化hua物wu內nei的de電dian子zi數shu增zeng加jia,導dao致zhi氧yang化hua物wu電dian阻zu減jian小xiao。半ban導dao體ti-氧化物傳感器就是通過該阻值的變化來分析氣體濃度。
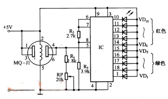
電路設計原理:
當氣體傳感器探不到酒精時,加在I⑤腳的電平為低電平;當氣體傳感器探測到酒精時,其內阻變低,從而使IC⑤腳電平變高。IC為顯示推動器,它共有10個輸出端,每個輸出端可以驅動一個發光二極管。顯示推動器IC根據⑤腳的電位高低來確定依次點亮發光二極管的級數,酒精含量越高,點亮二極管的級數就越大。上5個發光二極管為紅色,表示超過安全水平;下5個發光二極管為綠色,代表安全水平,酒精的含量不超過0.05%。
